服务咨询

产品求购企业资讯会展供应

全网搜索 发布询价单
仪表网>产品库>测量/计量>其它测量>其它测量>650 和 800 MHz 平衡光接收器
  • 650 和 800 MHz 平衡光接收器

650 和 800 MHz 平衡光接收器

参考价
面议
具体成交价以合同协议为准
  • 型号
  • 品牌
  • 所在地
  • 更新时间2025-08-23
  • 厂商性质其他
  • 所在地区
  • 产品数量857
  • 人气值679
产品标签

客服在线 索取相关资料 在线询价

联系方式: 查看联系方式

联系我们时请说明是 仪表网 上看到的信息,谢谢!

同类产品
韵翔光电是一家专注于光谱技术和应用开发的科技企业,提供紫外,可见,近红外,中红外到太赫兹范围的光电产品,包括光学元件,光学仪器,光谱仪,光学机械,成像系统,以及各种定制产品和服务。为科研院所和企业客户提供专业的应用咨询和产品解决方案。韵翔光电总部位于无锡江阴市,在上海和香港设有分公司和办事处。公司团队具有超过10年的行业经验,精通各种光电,光谱,激光应用,专业代理美国Edmund,德国Layertec, 立陶宛 Altechna,法国Ixblue,美国Lumitek,美国Ocean Optics,日本Goyo等品牌的产品。
点击展示更多内容
650 和 800 MHz 平衡光接收器
650 和 800 MHz 平衡光接收器 产品详情

650 和 800 MHz 平衡光接收器

650 和 800 MHz 平衡光接收器在捕捉微小信号时有着出色的表现,是 FM 光谱、吸收光谱或椭圆偏振等应用的理想选择。这些产品使您无需锁相放大器,即可消除任何产生参考信号或平衡光信号的实验装置中的激光强度噪声。

可将共模噪声降低 25 dB

650 MHz 或 800 MHz 大带宽

三个方便的光电流监测器输出



对比
型号
1607-AC-FC平衡光接收器,硅,320-1000 nm,650 MHz,FC 连接器
1607-AC-FS平衡光接收器,硅,320-1000 nm,650 MHz,自由空间
1617-AC-FC平衡光接收器,InGaAs,900-1700 nm,800 MHz,FC 连接器
1617-AC-FS平衡光接收器,InGaAs,900-1700 nm,800 MHz,自由空间


产品规格


型号

1607-AC-FC

1607-AC-FS

1617-AC-FC

1617-AC-FS
光输入
FC
Free Space
FC
Free Space
探测器材料
Silicon
Silicon
InGaAs
InGaAs
探测器直径
0.4 mm
0.4 mm
0.1 mm
0.1 mm
波长范围
320-1000 nm
320-1000 nm
900-1700 nm
900-1700 nm
3 dB 带宽
40 kHz to 650 MHz
40 kHz to 650 MHz
40 kHz to 800 MHz
40 kHz to 800 MHz
共模抑制
25 dB
25 dB
25 dB
25 dB
上升时间
800 ps
800 ps
800 ps
800 ps
**转换增益
350 V/W
350 V/W
700 V/W
700 V/W
**跨阻抗增益
700 V/A
700 V/A
700 V/A
700 V/A
**射频功率
+12 dBm bei 50 Ω
+12 dBm bei 50 Ω
+12 dBm bei 50 Ω
+12 dBm bei 50 Ω
**光功率
4 mW
4 mW
2 mW
2 mW
NEP
40 pW/√Hz
40 pW/√Hz
20 pW/√Hz
20 pW/√Hz
峰值响应度
0.5 A/W
0.5 A/W
1.0 A/W
1.0 A/W
饱和功率
2 mW
2 mW
1 mW
1 mW
输出接头
SMA
SMA
SMA
SMA
输出阻抗
50 Ω
50 Ω
50 Ω
50 Ω
螺纹类型
8-32 and M4
8-32 and M4
8-32 and M4
8-32 and M4


特征

可将共模噪声降低 25 dB

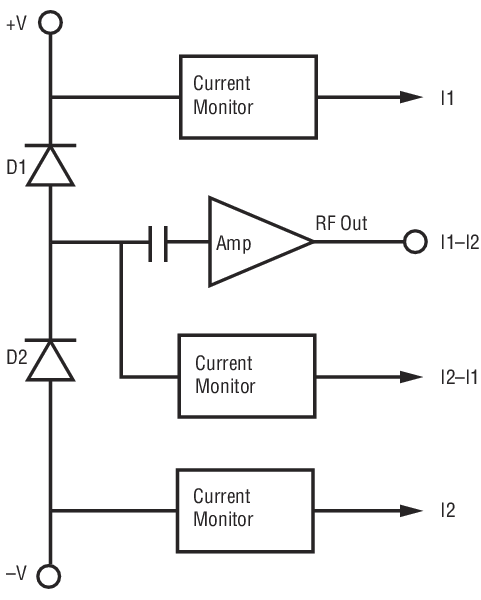
平衡光接收器的工作方式是从两个匹配良好的光电探测器中减掉光电流。存在于参考光束和信号光束上的共模噪声(例如激光强度噪声)被抵消,不会作为信号的一部分出现。参考光电探测器和信号光电探测器所产生的光电流如果不平衡,无论有意或无意,都将被放大并当作信号。共模噪声最多可降低 25 dB,以便您能够捕捉到信号。

大带宽

两个光电探测器经过认真筛选,以保证其频率响应匹配良好,并且二者呈相对 90°安装固定(箱体每侧一个,二者位于同一面板)。这种的封装可以进一步缩短光电探测器之间的距离,进而能够实现高达 800 MHz 的带宽表现。

Typical frequency response and noise spectrum for Model 1607-AC.

便捷的光电流监测输出

除 RF 输出外,这些平衡光电接收器还具有三个低频监测输出。这些监测输出可用于帮助将光线对准光电二极管,执行低频诊断,并使手动平衡信号光与参考光间的功率变得简单。

测量吸收特性应用

1607-AC 型号平衡光接收器特别适用于测量吸收特性。将一束探测光聚焦到一个光电探测器上,而另一个光电探测器会检测参考光束。



热门产品
产品名称参考价地区公司名称更新时间 
复杂结构晶圆几何量测系统 ¥3000000 深圳市 深圳市中图仪器股份有限公司 2025-10-11 在线询价
艾德克斯ITECH 微功耗量测以及材料研究精密源表 IT2805 200V1.5A20W 面议 深圳市 深圳市赛仪欧电子有限公司 2025-03-04 在线询价
氩气氦气氮气纯度测量仪检测惰性气体纯度的仪器 面议 西安诺科仪器有限责任公司 2025-06-06 在线询价
罗卓尼克USB接口水活性快速测量探头 面议 无锡市 无锡徽科特测控技术有限公司 2025-03-10 在线询价
激光功率测量系统 LPMS 面议 上海倍蓝光电科技有限公司 2025-04-08 在线询价
水分活度测量仪厂商 面议 常州市 常州金坛泰纳仪器厂 2025-08-27 在线询价
免责申明

所展示的信息由会员自行提供,内容的真实性、准确性和合法性由发布会员负责,仪表网对此不承担任何责任。仪表网不涉及用户间因交易而产生的法律关系及法律纠纷,纠纷由您自行协商解决

友情提醒 :本网站仅作为用户寻找交易对象,就货物和服务的交易进行协商,以及获取各类与贸易相关的服务信息的平台。为避免产生购买风险,建议您在购买相关产品前务必确认供应商资质及产品质量。过低的价格、夸张的描述、私人银行账户等都有可能是虚假信息,请采购商谨慎对待,谨防欺诈,对于任何付款行为请您慎重抉择!如您遇到欺诈等不诚信行为,请您立即与仪表网联系,如查证属实,仪表网会对该企业商铺做注销处理,但仪表网不对您因此造成的损失承担责任!

关于我们|网站导航|本站服务|会员服务|网站建设|特色服务|旗下网站|友情链接|在线投诉|兴旺通|供应信息

仪表网-仪器仪表行业“互联网+”服务平台

Copyright ybzhan.cn All Rights Reserved法律顾问:浙江天册律师事务所 贾熙明律师ICP备案号:浙B2-20100369-24

客服热线:0571-87756399,87759942加盟热线:0571-87756399展会合作:0571-87759945客服邮箱:873582202@qq.com 投稿邮箱:ybzhan@qq.com

网站客服:服务咨询:对外合作:仪表采购群: 仪表技术群:

版权所有©浙江兴旺宝明通网络有限公司


提示

×

*您想获取产品的资料:

以上可多选,勾选其他,可自行输入要求

个人信息:

温馨提示

该企业已关闭在线交流功能