安科瑞ASLP-LPD-D 雷电峰值检测装置
1、概述
雷电峰值检测器为防雷环境预警系统配套产品,该产品可实现对雷电数据、通讯状态等信息进行实时采集、监测、读取、显示、告警等功能。
2、技术参数

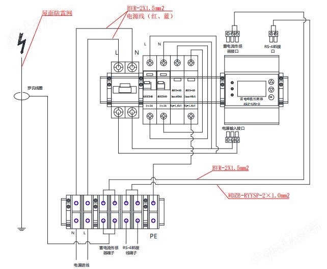
3、安装与接线



4 产品工作状态指示操作
正常显示时,电源指示灯会亮绿灯闪烁,不亮时请检查电源;
设备通讯正常运行时,运行指示灯会亮绿灯快速闪烁,则检测模块工作正常;不亮时请检查通讯线路是否正常;
当设备检测到故障时,报警指示灯会红灯常亮,且模块显示屏中会显示具体故障原因,当故障清除后报警指示红灯会消失;
模块配有温度、湿度、电压、电流、防雷器劣化等功能,对应在客户端的监视器可监测防雷工作环境各个参数是否正常,显示报警参量;
设备具备显示屏和3个按键,实现数据的本地查看、参数配置等操作。
5 注意事项
1)安装产品需专业电工作业人员经过培训或专业指导人员指导下进行安装操作,严格按照标准接线方式接入,不可虚接、漏接、错接。
2)雷电峰值检测器安装固定在标准 35mm 导轨上。
3)电源输入端对应接入 L,N。
4)雷击检测信号接入口 LJ+,LJ-,其互感器穿线能力:最大 25mm²
5)外部通信电缆接入口 A,B。
6)遥信触点端子的使用:通信线、遥信线路连线宜采用屏蔽线,如与电源线路平行敷设,则应相距 50cm 或参照标准 GB50343-2012 表 5.3.3 要求。
6 产品配套附件
安科瑞ASLP-LPD-D 雷电峰值检测装置