您好, 欢迎来到仪表网

| 注册| 产品展厅| 收藏该商铺

13276368698

products

目录:山东恒测环境科技有限公司>>智慧水质>>浮标水质监测站>> HC-SFA浮标水质监测站

浮标水质监测站

  • 浮标水质监测站
  • 浮标水质监测站
参考价4000
具体成交价以合同协议为准

参考价:¥ 4000

具体成交价以合同协议为准
  • 其他品牌 品牌
  • HC-SFA 型号
  • 生产商 厂商性质
  • 潍坊市 所在地
规格

HC-SFA

属性

产地:国产 加工定制:是 执行质量标准:国标

>
规格
HC-SFA4000元99台可售

更新时间:2025-09-28 13:23:43浏览次数:197评价

联系我们时请说明是仪表网上看到的信息,谢谢!

同类优质产品

更多产品
产地 国产 加工定制
执行质量标准 国标
浮标水质监测站SFA集数据采集、存储、传输和管理于一体的无人值守的采集系统。它在工农业生产、旅游、城市环境监测、地质灾害、防洪、供水调度、电站水库水情管理等为目的水文自动测报系统;功能强大的上位机软件可远程观测实时水雨情信息,具有数据库、报表、下载等功能,用户还可利用该功能完善的气象软件对记录的数据作进一步的处理分析。

1.浮标水质监测站SFA集数据采集、存储、传输和管理于一体的无人值守的采集系统。它在工农业生产、旅游、城市环境监测、地质灾害、防洪、供水调度、电站水库水情管理等为目的水文自动测报系统;功能强大的上位机软件可远程观测实时水雨情信息,具有数据库、报表、下载等功能,用户还可利用该功能完善的气象软件对记录的数据作进一步的处理分析。

2.水质监测系统具体由水质传感器、数据采集仪、通讯系统、供电系统、整体 支架、水质监测平台六部分组成。可同时监测水温、PH、溶解氧、电导率、氨氮、 浊度、COD等,多项水质要素。数据采集仪具有数 据采集、实时时钟、数据定时存储、参数设定和标准2G/4G(GPRS)通信功能。


浮标水质监测站

二、产品特点

1.易部署:各类型探头进行高度集成,安装方便;提供免费云平台服务,系统快速上线;

2.易维护:设备安装后,自行工作即可,无需人工值守,也可以通过远程监控的方式保障设备的正常运行;

3.易扩展:传感器探头均使用统一的通信协议,可以快速对接原设备,快速扩展监测参数;

4.低功耗:设备可以实现低功耗状态下,长时间运行,增加设备使用的便利性;

5.实时性:设备监测到的数据实时传输至云平台,提升环境数据反馈的及时性。

三、浮标水质监测站技术参数

1. 主体参数

产品名称描述
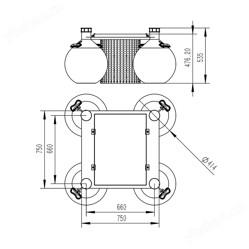
环境水质监测浮标可实时实现多路参数在线监测。可实现电池电量监控。可实现云平台数据监控、数据推送、数据的存储和报警功能;数据的无线发射功能。峰值功耗为 5W;传感器功耗 0.25W左右/只。外形尺寸:750mm*750mm*535mm。浮球直径414mm重量:22kg
采集器数据采集运行可靠,抗干扰,可集成多路RS485/MODBUS-RTU从站设备
采集器数据输出1 路 Rs485/JSON协议输出
电池锂电池 12VDC,20AH(默认)
太阳能电池板22.1V/50W(默认)
供电能力定制选型;阴雨天间歇工作 5天以上
位置指示(选配)警示灯;GPS 定位;
监测平台云平台;手机/电脑多终端登录
防护罩304 不锈钢滤筒防护罩
浮体直径414mm 球形浮体*4工程塑料

2.可选配传感器的主要参数

序号传感器类型测量范围测量原理测量精度
1温度0~50℃高精度数字传感器±0.3℃
2pH0~14(ph)电化学(盐桥)± 0.1PH
3溶解氧0~20mg/L荧光寿命法± 2%
4电导率0~5000uS/cm接触式电极法± 1.5%
5浊度0~40NTU(选配)散射光法± 1%
6ORP-1500mv~1500mv电化学(盐桥)± 6mv
7铵离子1-100mg/l离子选择电极法± 5mg

可根据客户的实际情况及所要达到的技术指标定制合适的检测方案

注意: 传感器安装时不能倒置或者水平安装, 至少倾斜 15 度角以上安装,

以上水质传感器工作环境0-50℃,<0.3Mpa。

四、产品尺寸图

浮标水质监测站

五、设备安装要求

1.远离大功率无线电发射源

2.远离高压输电线和微波无线电传送通道

3.尽量靠近数据传输网络

4.远离强电磁干扰



会员登录

请输入账号

请输入密码

=

请输验证码

收藏该商铺

标签:
保存成功

(空格分隔,最多3个,单个标签最多10个字符)

常用:

提示

您的留言已提交成功!我们将在第一时间回复您~
在线留言

会员登录

请输入账号

请输入密码

=

请输验证码

收藏该商铺

该信息已收藏!
标签:
保存成功

(空格分隔,最多3个,单个标签最多10个字符)

常用:
热线电话 在线询价